RF-1 Prüfsender
Ich erwarb kürzlich auf Ebay einen alten Heathkit RF-1 Prüfsender für die Radioreparatur (Abgleich). Die Aufbau- und Bedienungsanleitung findet sich im Internet.
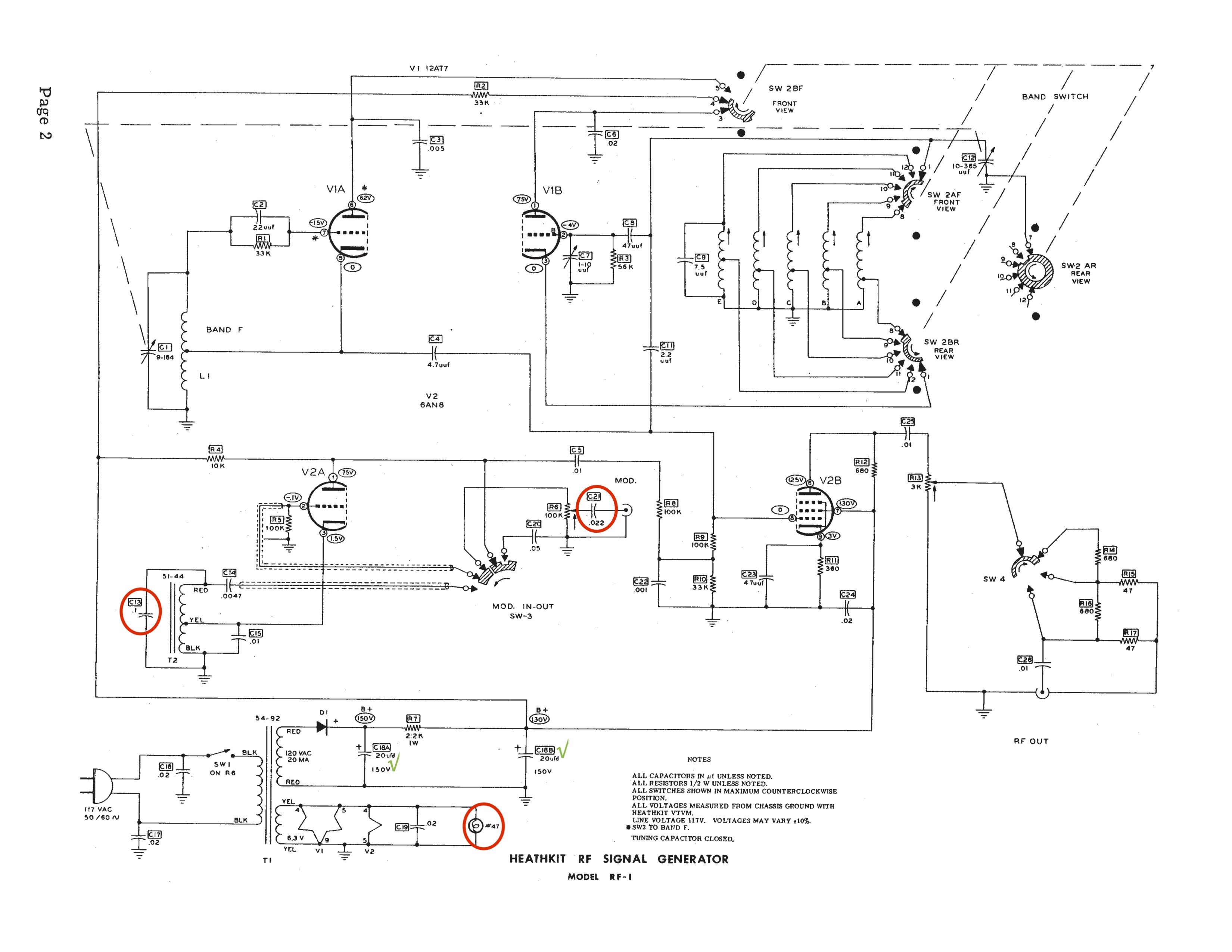
Der Aufbau war vom Vorbesitzer sehr schön nach Anleitung durchgeführt worden. Nur C13 und C21 zeigten Leckstrom und wurden ersetzt. C18A und C18B zeigten je 22uF und ein ESR von 0.68 Ohm, sodass dieser Sieb-Elko nicht gewechselt werden musste. Das Lämpchen für die Betriebsanzeige (Jewel light) war durchgebrannt und wurde ersetzt. Dies waren auch schon alle mehr oder weniger erforderlichen Reparaturen.
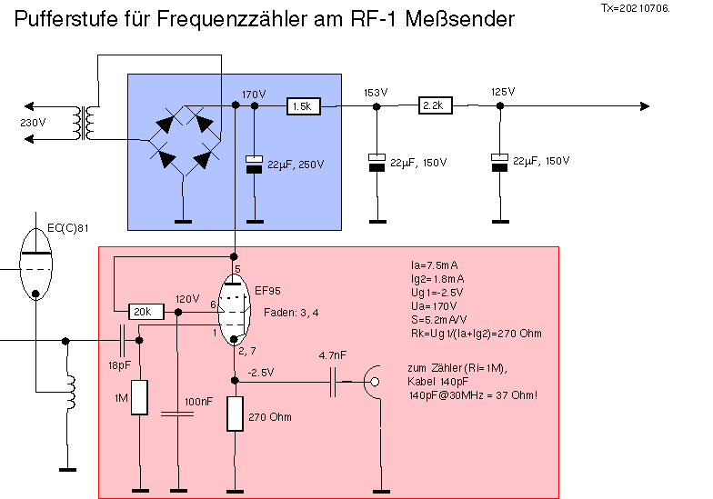
Die Genauigkeit der Anzeige war zwar nicht schlecht, aber da mein Funktionsgenerator MFG9000M auch als Frequenzzähler verwendet werden kann, wollte ich ihn gerne an den RF-1 anschliessen. Leider hat der RF-1 keinen separaten Ausgang für einen Frequenzzähler; den RF-Ausgang konnte ich nicht verwenden, da hier beim Abgleich eines Radios eine viel zu kleine Amplitude anliegt (man muss ja fast ganz herunterregeln, damit das Radio nicht übersteuert wird) und der Frequenzzähler mindestens 0.5Vss sehen will.
Der Zähler hat zwar einen Eingangswiderstand von 1 MOhm, jedoch schägt ein ausreichend langes RG58 Koax-Kabel mit 140pF zu Buche, was bei 30MHz nur noch 37 Ohm sind. Es muss also eine Pufferstufe her, die auf einen niedrigen Ausgangswiderstand arbeitet und ein vom Abschwächer in der Amplitude unabhängiges Signal ausreichender Stärke liefert. Ich habe mich für eine EF95 entschieden, weil ich davon noch einige hier habe und sie nur ca. 150mA Heizstrom braucht, was der Trafo im RF-1 schon noch verkraften wird. Sie arbeitet als Kathodenfolger, um den nötigen Strom liefern zu können. Im Schaltplan (nächstes Bild) ist das der rot hinterlegte Teil. Ich hatte auch versucht, an der Kathode der EC(C)81 auszukoppeln, jedoch ist dort die Amplitude zu klein und der Frequenzzähler steigt dann bei einigen Frequenzen aus und zeigt nichts mehr an.
Um ausreichend Anoden-Betriebsstrom zur Verfügung zu haben, habe ich die Einweggleichrichtung durch einen Brückengleichrichter ersetzt. Damit steigt die Spannung auf 170V, sodass eine weitere RC-Siebstufe möglich (und nötig) wurde. Das ist im Schaltplan der blaue Teil. Diese 170V passen auch gut zur EF95 als Betriebsspannung.
Die Ausgangsbuchse ist auf der Rückseite als BNC-Buchse ausgeführt. Dazu wurde in die Rückwand ein passendes Loch gebohrt, sodass die Buchse herausschaut. Man kann die Rückwand nach wie vor ohne Behinderung durch Kabel abnehmen (da die BNC-Buchse auf dem Chassis-Blech verschraubt ist und nicht in der Rückwand). Hier einige Bilder vom mechanischen Aufbau.


Damit ist jetzt auf den Frequenzbereichen bis 30MHz ein ausreichend starkes Signal für den Frequenzzähler vorhanden, das unabhängig von der Stellung des Abschwächers auf der Frontseite ist.
Für den höchsten Frequenzbereich "F" von 30MHz bis 110MHz müsste ich im RF-1 einen 1:10 Frequenzteiler einbauen, weil der Frequenzzähler nur bis 30MHz zählt. Das würde aber dann am besten mit einem IC realisiert und nicht mit Röhren.